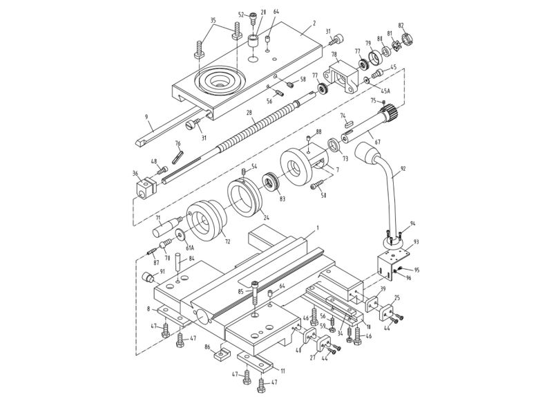
BDB-1340A Top Slide, Tool Post, Saddle, and Cross Slide II

Stock Number
321111-14
Grouped product items
Product NamePrice
No options of this product are available.
More Information
Stock Number321111-14
Write Your Own Review
You're reviewing:BDB-1340A Top Slide, Tool Post, Saddle, and Cross Slide II
Your Rating
Specifications Print
What's this? Check "Remember Me" to access your shopping cart on this computer even if you are not signed in.