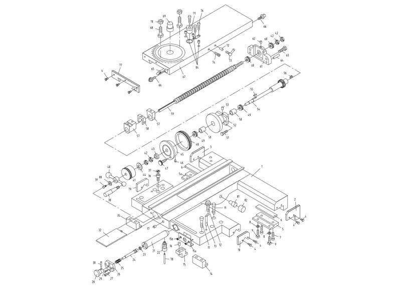
GH-1860ZX Carriage Assembly

Stock Number
321960-16
Grouped product items
Product NamePrice
No options of this product are available.
More Information
Stock Number321960-16
Write Your Own Review
You're reviewing:GH-1860ZX Carriage Assembly
Your Rating
Specifications Print
What's this? Check "Remember Me" to access your shopping cart on this computer even if you are not signed in.