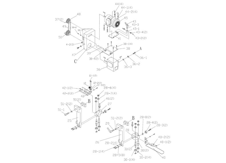
HVBS-10 DMW Motor and Support Arm Assembly

Stock Number
424463-3
Grouped product items
Product NamePrice
No options of this product are available.
More Information
Stock Number424463-3
Write Your Own Review
You're reviewing:HVBS-10 DMW Motor and Support Arm Assembly
Your Rating
Specifications Print
What's this? Check "Remember Me" to access your shopping cart on this computer even if you are not signed in.