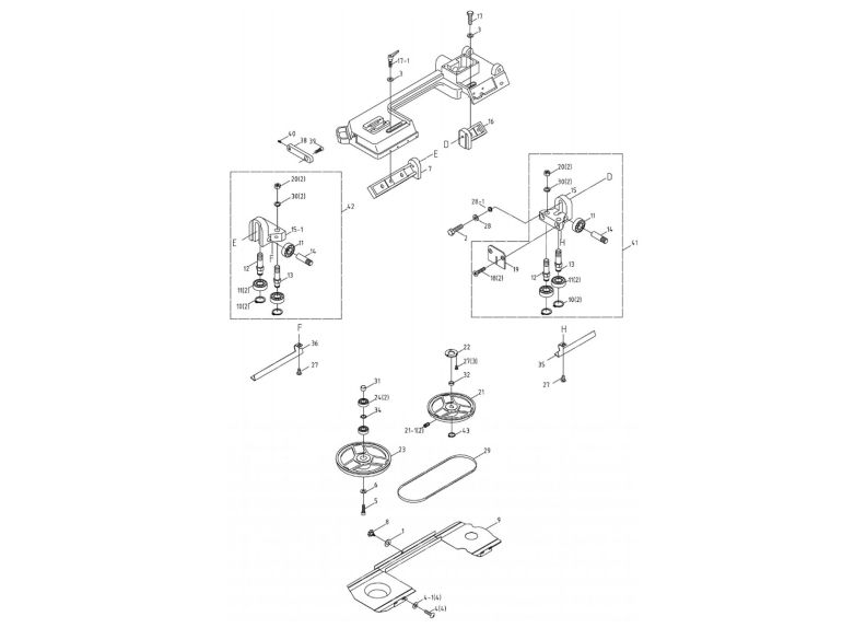
J-3130 Upper Saw Head Assembly

Stock Number
414461-2
Grouped product items
Product NamePrice
No options of this product are available.
More Information
Stock Number414461-2
Write Your Own Review
You're reviewing:J-3130 Upper Saw Head Assembly
Your Rating
Specifications Print
What's this? Check "Remember Me" to access your shopping cart on this computer even if you are not signed in.