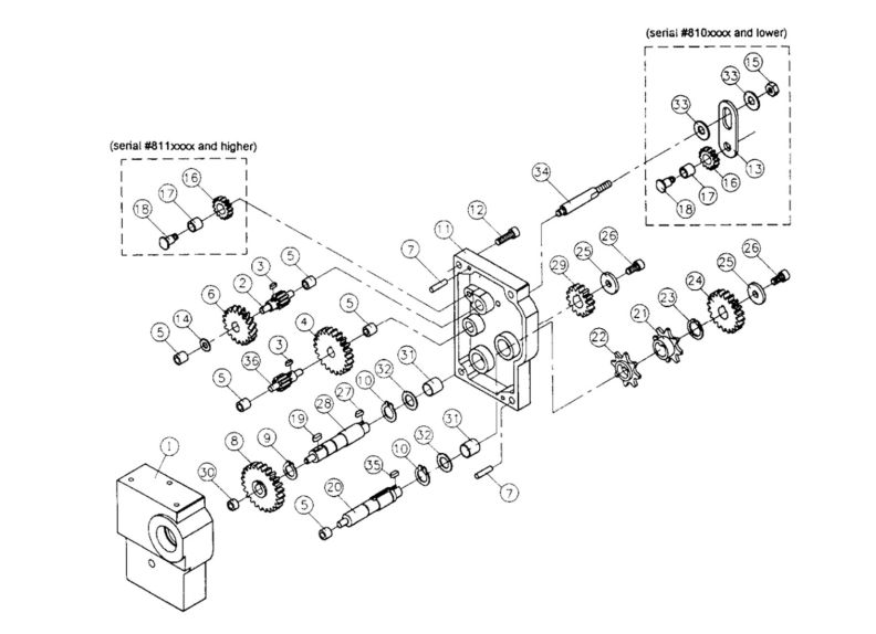
JPM-13CS Gearbox Assembly

Stock Number
708524-3
Grouped product items
Product NamePrice
No options of this product are available.

























































































































































































































































































































































































































Index NumberPart NumberDescriptionSizeQty
 MHA-GGearbox Assy (#’s 1-33,35) (serial #810xxxx and lower) 1
 MHA-GUWGearbox #’s (#’s 1-12,14,16-32,35-36) (serial #811xxxx and higher) 1
1MHA-G01Gearbox Body (serial #810xxxx and lower) 1
 MHA-G01UWGearbox Body (serial #811xxxx and higher) 1
2MHA-G02Gear Shaft (serial #810xxxx and lower)10T2
 MHA-G02Gear Shaft (serial #811xxxx and higher)10T1
3FK-A03Key3x3x82
4MHA-G03Gear (serial #810xxxx and lower)46T1
 MHA-G03UGear (serial #811xxxx and higher)44T1
5PGA-M15Bushing 5
6MHA-G04Gear (serial #810xxxx and lower)38T1
 MHA-G04UGear (serial #811xxxx and higher)43T1
7MGA-C28Pin4x162
8MHA-G05Gear (serial #810xxxx and lower)51T1
 MHA-G05UGear (serial #811xxxx and higher)47T1
95FA-A07C-RingSTW121
105FA-A07C-RingSTW122
11MHA-G06Gear Box Cover (serial #607xxxx and lower) 1
 MHA-G06NGear Box Cover (serial #608xxxx to 810xxxx) 1
 MHA-G06UWGear Box Cover (serial # 811xxxx and higher) 1
12TS-1503051Hex Socket Cap ScrewM6x204
13MHA-G07Bracket (serial #607xxxx and lower)R.H.1
 MHA-G07NBracket (serial #608xxxx to 810xxxx)L.H.1
14TS-0680021Flat Washer (serial #810xxxx and lower)1/42
 TS-0680021Flat Washer (serial #811xxxx and higher)1/41
15TS-1540041Hex Nut (serial #810xxxx and lower)M6x1.01
16MHA-G08Gear (serial #607xxxx and lower)24T1
 MHA-G08NGear (serial #608xxxx to 810xxxx)28T1
 MHA-G08UGear (serial #811xxxx and higher)22T1
17PGA-M12Bushing 1
18MHA-G09Stud Bolt (serial #607xxxx and lower) 1
 MHA-G09NStud Bolt (serial #608xxxx and higher) 1
19MHA-G18Key5x5x91
20MHA-G10Shaft (serial #607xxxx and lower) 1
 MHA-G10NShaft (serial #608xxxx and higher) 1
21PGA-C17Sprocket 1
22MGA-C32Sprocket 1
235FA-A10C-RingSTW151
24MHA-G11Gear (serial #810xxxx and lower)43T1
 MHA-G11UGear (serial #811xxxx and higher)40T1
255EB-A08Washer 2
26TS-1503031Hex Socket Cap ScrewM6x122
275FK-B02Key4x4x71
28MHA-G12Shaft (serial #607xxxx and lower) 1
 MHA-G12NShaft (serial #608xxxx to 810xxxx) 1
 MHA-G12UShaft (serial #811xxxx and higher) 1
29MHA-G13Gear (serial #810xxxx and lower)31T1
 MHA-G13UGear (serial #811xxxx and higher)29T1
30MHA-G14Bushing (serial #810xxxx and lower)I.D. 61
 MHA-G14UBushing (serial #811xxxx and higher)I.D. 101
31MHA-G15Bushing (serial #607xxxx and lower) 2
 MHA-G15NBushing (serial #608xxxx and higher) 2
32MHA-G16Washer 2
33MHA-G17Washer (serial #810xxxx and lower) 2
34MHA-B08Stud 1
355FK-B05Key4x4x121
36MHA-G19Gear Shaft (serial #811xxxx and higher)10T1

More Information
Stock Number708524-3
Write Your Own Review
You're reviewing:JPM-13CS Gearbox Assembly
Your Rating
Specifications Print
What's this? Check "Remember Me" to access your shopping cart on this computer even if you are not signed in.