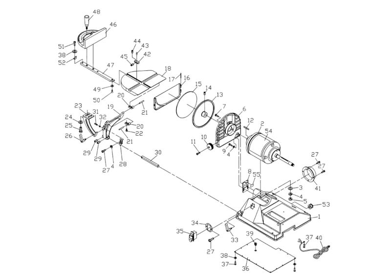
| Index Number | Part Number | Description | Size | Qty |
| 1 | JSG96-101 | Base | 1 | |
| 2 | JSG96-102 | Motor | 1 | |
| JSG96-102A | Starting Capacitor (not shown) | 1 | ||
| JSG96-102B | Running Capacitor (not shown) | 1 | ||
| 3 | TS-1550041 | Flat Washer | M6 | 4 |
| 4 | TS-1551041 | Lock Washer | M6 | 7 |
| 5 | TS-1540041 | Hex Nut | M6 | 1 |
| 6 | JSG96-106 | Disc Cover | 1 | |
| 7 | JSG96-107 | Screw w/Washer | 1/4x3/8 | 3 |
| 8 | JSG96-108 | Air Controller | 1 | |
| 9 | TS-0813032 | Screw | 1/4x1/2 | 2 |
| 10 | JSG96-110 | Lock Knob | 1 | |
| 11 | JSG96-111 | Tap Screw | 1/4x1 | 1 |
| 12 | JSG96-112 | Key | 5x5x25 | 1 |
| 13 | JSG96-113 | Disc | 1 | |
| 14 | JSG96-114 | Set Screw | #10x3/8 | 1 |
| 15 | JSG96-115 | Sanding Disc | 1 | |
| 16 | JSG96-116 | End Cover | 1 | |
| 17 | JSG96-117 | Pin | 1 | |
| 18 | JSG96-118 | Compound Table | 1 | |
| 19 | JSG96-119 | Table Bracket | 1 | |
| 20 | JSG96-120 | Trunnion | 2 | |
| 21 | JSG96-121 | Pin | 2 | |
| 22 | JSG96-122 | Hex Socket Cap Screw | #10x5/8 | 2 |
| 23 | JSG96-123 | Table Support w/Scale | 1 | |
| 24 | TS-0680031 | Flat Washer | 5/16 | 2 |
| 25 | TS-0051021 | Hex Head Screw | 5/16x5/8 | 2 |
| 26 | JSG96-126 | Lock Handle | 1 | |
| 27 | JSG96-127 | Screw | 1/4x3/8 | 7 |
| 28 | JSG96-128 | Pointer | 1 | |
| 29 | TS-0270031 | Set Screw | 5/16x3/8 | 2 |
| 30 | JSG96-130 | Rod | 1 | |
| 31 | JSG96-131 | Set Screw | 1/4x1 | 1 |
| 32 | TS-0561011 | Hex Nut | 1/4 | 1 |
| 33 | JSG96-133 | Lock Handle w/Brass Insert | 1 | |
| 34 | JSG96-134 | Switch Plate | 1 | |
| 35 | JSG96-135 | Switch | 1 | |
| JSG96-135A | Switch Key (not shown) | 1 | ||
| 36 | JSG96-136 | Plate | 1 | |
| 37 | JSG96-137 | Screw w/Flange | #10x3/8 | 17 |
| 38 | TS-0680011 | Flat Washer | 3/16 | 1 |
| 39 | JSG96-139 | Strain Relief | 1 | |
| 40 | JSG96-140 | Power Cord | 1 | |
| 41 | JSG96-141 | Dust Chute | 1 | |
| 42 | JSG96-142 | Circle Gauge | 1 | |
| 43 | JSG96-143 | Tip | 1 | |
| 44 | JSG96-144 | Set Screw | 1/4x1/4 | 2 |
| 45 | JSG96-145 | Set Screw | M4x6 | 1 |
| 46 | JWBS18-403 | Miter Gauge Body | 1 | |
| 47 | JSG96-147 | Guide Bar | 1 | |
| 48 | JWBS18-401 | Lock Handle | 1 | |
| 49 | JWBS20-156 | Guide Disc | 1 | |
| 50 | JSG96-150 | Pan Head Screw | 1/4x5/16 | 1 |
| 51 | JSG96-151 | Screw | #10x5/16 | 1 |
| 52 | JWBS18-406 | Pointer | 1 | |
| 53 | JSG96-153 | Bushing | 1 | |
| 54 | JSG96-154 | I.D. Label | 1 | |
| 55 | JSG96-155 | Indication Label | 1 | |
| JSG96-MGA | Miter Gauge Assembly | 1 | ||
| JSG96-CGA | Circle Gauge Assembly | 1 |
| Stock Number | 708596K-1 |
|---|
Write Your Own Review
