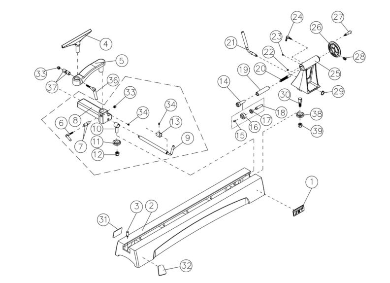
| Index Number | Part Number | Description | Size | Qty |
| 1 | JET-113 | JET Nameplate | 1 | |
| 2 | JWL1440-202 | Bed | 1 | |
| 3 | JWL1440-203 | Stud | 2 | |
| 4 | JWL1442-205 | Tool Rest | 12" | 1 |
| 5 | JWL1440-205 | Tool Rest Extension | 1 | |
| JWL1440-TBA | Tool Rest Base Assembly (includes #6 thru 13, 33, 34) | 1 | ||
| 6 | JWL1440-206 | Handle | 1 | |
| 7 | JWL1440-207 | Tool Rest Lock Bushing Set | 1 | |
| 8 | JWL1440-208 | Tool Rest Base | 1 | |
| 9 | JWL1442-210A | Tool Support Rod | 1 | |
| 10 | JWL1442-128 | Clamp Bolt | 1 | |
| 11 | JWL1442-154 | Clamp | 1 | |
| 12 | TS-0650081 | Nylon Nut | 3/4”-10 | 1 |
| 13 | JWL1440-213 | Bushing | 1 | |
| 14 | 708331 | Live Center Assembly (includes #15 thru 18) | 1 | |
| 15 | JML-52A | Center Point for Live Center | 1 | |
| 16 | JML-52 | Live Center Head | 1 | |
| 17 | BB-6002ZZ | Ball Bearing | 6002ZZ | 1 |
| 18 | JML-54 | Live Center Shaft | 1 | |
| JWL1440-TA | Tailstock Assembly (includes #19 thru 30, 38, 39) | 1 | ||
| 19 | JWL1440-219 | Quill | MT-2 | 1 |
| 20 | JWL1440-220 | Lead Screw | 1 | |
| 21 | JWL1440-221 | Tailstock Rod | 1 | |
| 22 | JWL1221VS-227 | Key | 1 | |
| 23 | TS-0253032 | Socket Head Button Screw | #10-32x1/2” | 1 |
| 24 | JML-59A | Tailstock Lock Handle | 1 | |
| 25 | JWL1440-225 | Tailstock Casting | 1 | |
| 26 | JWL1440-226 | Handwheel | 1 | |
| 27 | JWL1442-211 | Handle | 1 | |
| 28 | TS-0267041 | Set Screw | 1/4"-20x 3/8” | 2 |
| 29 | JWL1440-229 | C-Ring | S-12 | 1 |
| 30 | JWL1440-230 | Bolt | 1 | |
| 31 | JWL1440-231 | ID Label | 1 | |
| 32 | JWL1221VS-211 | Warning Label | 1 | |
| 33 | TS-0570031 | Hex Nut | 3/8” | 2 |
| 34 | TS-0267021 | Set Screw | 1/4”-20x1/4” | 4 |
| 36 | JWL1440-206 | Handle | 1 | |
| 37 | JWL1440-207 | Tool Rest Lock Bushing Set | 1 | |
| 38 | JWL1442-154 | Clamp | 1 | |
| 39 | TS-0650081 | Nylon Nut | 3/4”-10 | 1 |
| Stock Number | 719400-2 |
|---|
Write Your Own Review
