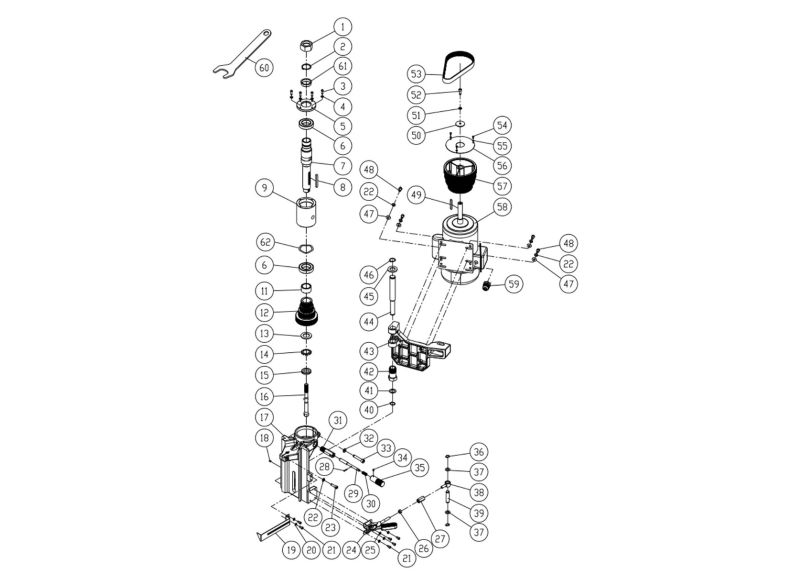
JWS-35X3-1 Frame and Motor Assembly

Stock Number
708323-3
Grouped product items
Product NamePrice
thumbnail Socket Hd Cap Screw, M10X55 | TS-2239551
$6.13
Out of stock
More Information
Stock Number708323-3
Write Your Own Review
You're reviewing:JWS-35X3-1 Frame and Motor Assembly
Your Rating
Specifications Print
What's this? Check "Remember Me" to access your shopping cart on this computer even if you are not signed in.